





![]() | ||
|---|---|---|
Reglerbuffert Rekommenderat driftområde, grundflöde Möjligt forceringsområde | Frånluftsvärmepump | |
300 | ||
240 | ||
190 | ||
150 | ||
100 | ||
060 | ||
m³/s 0.00.51.01.52.02.53.0 | ||
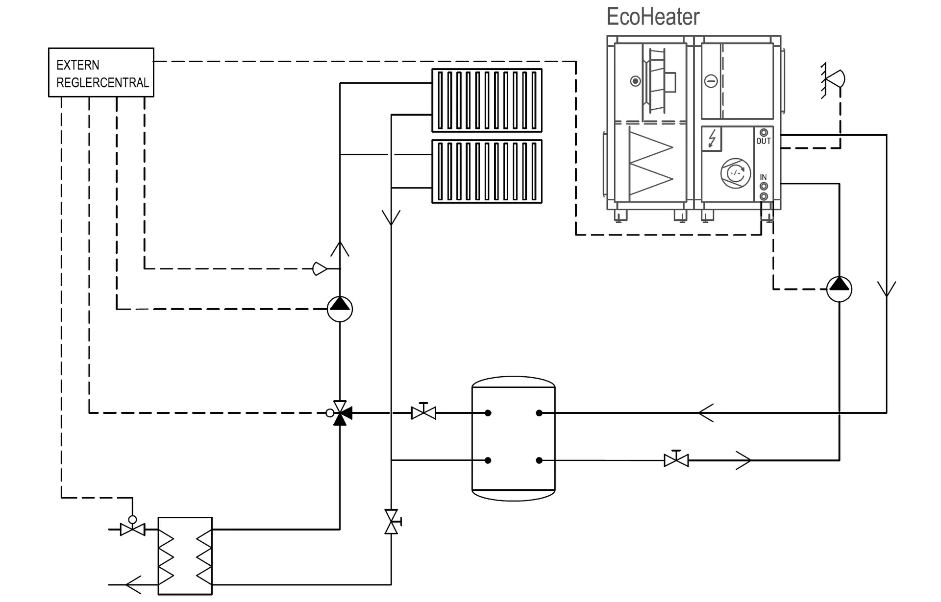
Filtrera inom Home Concept EcoHeater


IV Produkt Designer Produktvalsprogram
Tekniska dataförHome Concept EcoHeater
Här hittar du mått och vikt samt prestanda- och effektuppgifter för Home Concept EcoHeater .
| Storlek | Luftflöden (m3/s) | Mått (mm) | Styrskåpsplacering | Vikt (kg) | Vikt fläktdel (kg) | Vikt värmepumpsdel (kg) | Köldmediemängd (kg) | Effekt och avsäkring | |||||||||||||
|---|---|---|---|---|---|---|---|---|---|---|---|---|---|---|---|---|---|---|---|---|---|
| Min | SFPv0,6 | Max | Bredd | Höjd | Längd | Bredd kanalanslutning | Höjd kanalanslutning | Längd fläktdel | Längd värmepumpsdel | Längd brandgasbypassdel | R454B Krets 1 | ton CO2e (R454B) Krets 1 | Extern avsäkring (Aggregat) | Max tillförd eleffekt (kWh) | Nominell värmeeffekt (kWh) | Systemspänning | |||||
060-2V | 0.15 | 0.4 | 0.5 | 890 | 1330 | 1530 | 500 | 300 | 740 | 790 | 442 | I aggregatet vid fläktdel | 281 | 124 | 157 | 1.44 | 0.67 | 10A | 3.6 | 15.3 | 400VAC |
100-2V | 0.24 | 0.7 | 0.93 | 1020 | 1395 | 1530 | 700 | 300 | 740 | 790 | 442 | I aggregatet vid fläktdel | 330 | 148 | 182 | 2.12 | 0.99 | 16A | 4.3 | 21.3 | 400VAC |
150-2V | 0.4 | 1.2 | 1.44 | 1120 | 1585 | 1680 | 800 | 500 | 890 | 790 | 442 | I aggregatet vid fläktdel | 493 | 191 | 302 | 3.33 | 1.55 | 25A | 7.1 | 35 | 400VAC |
190-2V | 0.71 | 1.45 | 2.12 | 1400 | 1585 | 1780 | 1000 | 500 | 890 | 890 | 442 | I aggregatet vid fläktdel | 586 | 244 | 342 | 4.32 | 2.01 | 32A | 10.8 | 47.8 | 400VAC |
240-2V | 0.78 | 1.7 | 2.49 | 1400 | 1686 | 1780 | 1000 | 600 | 890 | 890 | 442 | I aggregatet vid fläktdel | 673 | 293 | 380 | 5.4 | 2.52 | 32A | 10.8 | 54.8 | 400VAC |
300-2V | 1.05 | 1.88 | 3 | 1616 | 1686 | 1780 | 1200 | 600 | 890 | 890 | 442 | I aggregatet vid fläktdel | 779 | 314 | 465 | 6.4 | 2.98 | 40A | 14.1 | 70.8 | 400VAC |
Dokumentation förHome Concept EcoHeater
Här hittar du generell dokumentation för den här produktserien. Ladda ner de senaste versionerna av produktbroschyrer, bruksanvisningar, certifikat och andra dokument.
Ditt aggregat
Om du letar efter information om ditt aggregat, sök med ordernumret.
Dokument | Dokumenttyp | Språk | Version | Ladda ner/Dela | |
|---|---|---|---|---|---|
| Laddar… | |||||




















